Specifications
- Brand
- aFe
- Part #
- 59-10095
- UPC
- 802959593301
aFe MagnumFORCE Spare Parts Trim Seal Kit (1/16IN X 7/16IN) x 36IN L
$18.43
This aFe trim seal kit replaces worn seals on cold air intakes. It uses PVC and EPDM rubber for a flexible, durable seal.
Key Features
- PVC construction with 7/16” EPDM bulb — flexible and durable, seals against vehicle surfaces.
- Integrated aluminum retaining clips — provide strong grip retention.
- Co-extruded design — prevents separation between the bulb and edge trim.
- Withstands temperatures from -40°F to 212°F — suitable for various conditions.
- Fits 1/16” thick edges, and edges ranging from 1/32” to 1/8” thick — versatile fit.
⚠️ CA WARNING: This product can expose you to chemicals known to the State of California to cause cancer and/or birth defects or other reproductive harm. Learn more
Product Details
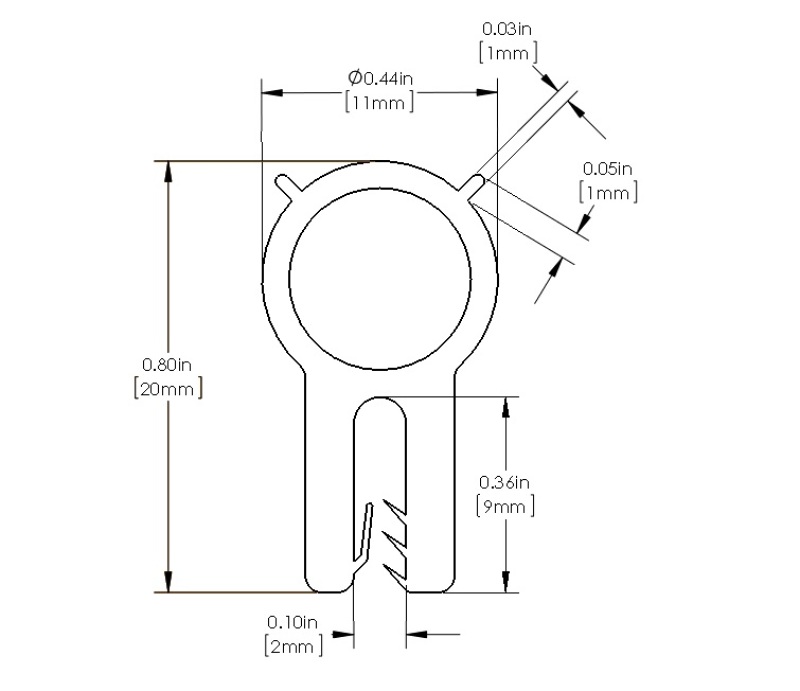
This trim seal’s PVC construction is flexible and durable, withstanding temperatures from -40°F to 212°F (-40°C to 100°C). It features a 7/16” EPDM bulb, allowing for a seal between the intake and vehicle. Integrated aluminum retaining clips provide excellent grip retention. Its co-extruded design helps prevent the common separation between the bulb and edge trim. On some cold air intake applications, the 7/16” EPDM bulb allows for a complete seal against the vehicle’s hood, fender well, or air inlet – making for reduced vibration, as well as protection from dust, moisture, and other elements. It’s designed to attach perfectly to 1/16” thick edges and will fit edges ranging from 1/32” to 1/8” thick. This trim seal fits a large number of aFe POWER’s cold air intake systems, but can be used for a variety of other applications as well. It’s most commonly used to replace existing worn-out trim seal. For aFe POWER parts, refer to your cold air intake’s instruction sheet to confirm the required trim seal size.
Description
Magnum FORCE Cold Air Intake Replacement Trim Seal KitSpecifications
- Brand
- aFe
- Manufacturer Part #
- 59-10095
- UPC
- 802959593301
Frequently Asked Questions
You Might Also Like
Similar products from the same category
aFe
aFe 11-23 Dodge Challenger V8 5.7L Momentum GT Cold Air Intake System w/ Pro DRY S Filter
aFe
aFe 19-21 Mini Cooper / S / Clubman L3 1.5L (t) MagnumFORCE Intake Stage-2 Pro 5R
aFe
aFe 19-23 Ford Ranger L4-2.3L (t) Dynamic Air Scoop w/ Pro DRY S Filter (D.A.S. PLUS)
aFe
aFe 20-22 Nissan Frontier V6-3.8L Momentum GT Cold Air Intake System w/ Pro DRY S Filter
aFe MagnumFORCE Spare Parts Trim Seal Kit (1/16IN X 7/16IN) x 36IN L
